初次圆房落红视频大全,黑驴与刘玥旗袍图片高清,中午厨房来一枪

欢迎来到上海程翔液压设备维修服务有限公司
上海程翔液压设备维修服务有限公司
产品中心
联系我们
栏目热门点击

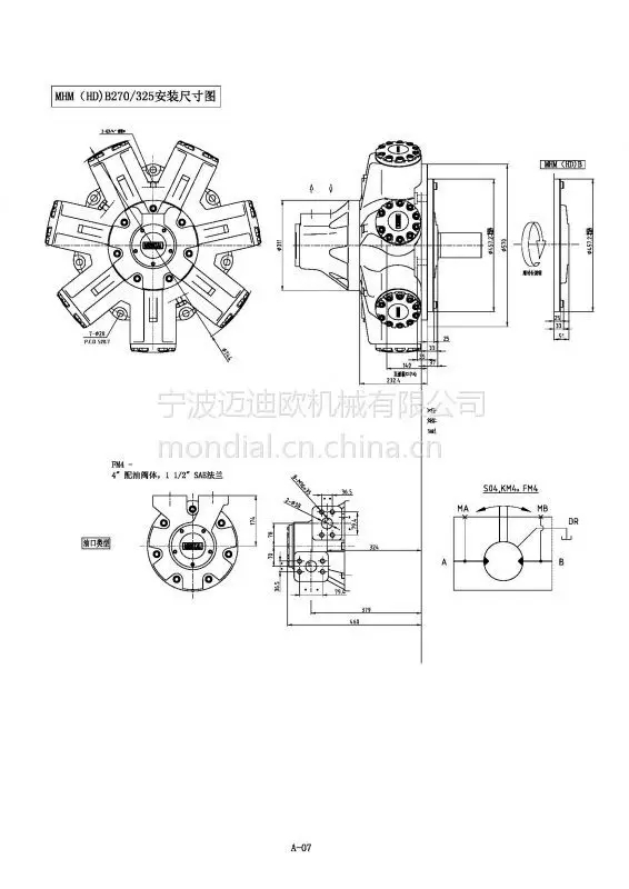
维修斯达弗HMB325液压马达

主要参数:

我公司可针对实际工况,选择不同的配置,提供准确的解决方案。技术咨询请拨全国服务热线:

斯塔夫斯达弗HMB270/325液压马达液压油马达(迈迪欧)

斯塔夫型HMB270/325系列液压马达:

HMB270-P1-FM4     HMB325-P1-FM4

HMB270-S3-FM4     HMB325-S3-FM4

HMB270-Z-FM4      HMB325-Z-FM4

HMB270-X-FM4      HMB325-X-FM4

HMB270-T-FM4      HMB325-T-FM4

检验过程:

修前测试→材料选择→材料检验→下料→加工→热处理→精加工→粗清洗→超声波精洗→装配→测试。

保养维护:

液压泵马达建议首次使用500小时后更换液压油及液压系统的液压油和滤芯,后期每1500小时更换一次,或定期过滤检查,防止水汽进入,初装或者长时间不用开启时候,先低速运转。

液压泵 液压马达突发有异响,或者突然不能工作转,液压马达无力,液压泵无力,液压泵 马达动作慢,液压油温度高,液压泵 马达噪音响,冷机启动正常 热机就动作慢无力等,请立即停止工作准备检查,请专业人员检修或者咨询我们的技术工程师。一般柱塞式液压泵 液压马达请勿非专业人员拆机,以免安装不当造成更大的经济损失。

经常维修的机械设备:

挖掘机、装载机、采矿机、采煤机、煤矿掘进机、铲运机、推土机、压路机、摊铺机、架桥机、运梁车、混凝土泵车、搅拌车、吊车、液压绞车、履带起重机、盾构机、隧道掘进机、液压静力压装机、旋挖钻机、旋喷钻机、潜孔钻机、反循环钻机、水平定向钻机、卷扬机、钢铁厂设备、船舶设备、港口设备、海洋平台设备、码头设备、造船厂设备、陶瓷厂设备、玻璃厂设备、生产铝材.铜材设备、造纸厂设备、塑胶厂设备、食品厂设备、制药厂设备、牧场设备等,所有包含装置液压驱动的机械设备,全都提供上门维修和检修服务以及液压零配件供应。

修理周期:一般情况下为2-3天,视损坏程度定。

保修条款:

1、销售进口原装产品总成或国产产品总成均保修1年。

2、维修产品提供3至6个月的保修。

“山高方知路远,水激才感源深”。在我们发展壮大的路上及当前机械液压潮流日益普及的时代,我们将为广大客户提供完善的售后服务,做到即需即到、尽心尽力、服务专业,努力以更完善的售后服务和过硬的技术支持,回报社会,回报客户,并将与广大客户及业界同仁携手共进,共享成功。

推荐产品
  • 专业销售维修供应Linde林德HPR...

    专业销售维修供应Linde林德HPR55-02液压整泵  Linde林德液压泵是为液压传动提供加压液体的一种液压元件,是泵的一种。它的功能是把动力机(如电动机和...

  • 维修内曲线马达NJM-6.3

    上海程翔液压专业维修各种国内外液压油泵、油马达、液压系统、减速机等。

  • 维修林德HPR105液压油泵

    经常维修的机械设备:挖掘机、装载机、采矿机、采煤机、煤矿掘进机、铲运机、推土机、压路机、摊铺机、架桥机、运梁车、混凝土泵车、搅拌车、吊车、液压绞车、履带起重机、...

  • http://www.npvvbpt.cn/uploadfile/202102/news.php/ykdtt.html
  • http://www.npvvbpt.cn/uploadfile/202102/news.php/cyqlo.html
  • http://www.npvvbpt.cn/uploadfile/202102/news.php/ayoif.html
  • http://www.npvvbpt.cn/uploadfile/202102/news.php/grjxc.html
  • http://www.npvvbpt.cn/uploadfile/202102/news.php/ixcng.html
  • http://www.npvvbpt.cn/uploadfile/202102/news.php/panev.html
  • http://www.npvvbpt.cn/uploadfile/202102/news.php/dduzi.html
  • http://www.npvvbpt.cn/uploadfile/202102/news.php/zdvjz.html
  • http://www.npvvbpt.cn/uploadfile/202102/news.php/wxrrd.html
  • http://www.npvvbpt.cn/uploadfile/202102/news.php/lzefv.html
  • http://www.npvvbpt.cn/uploadfile/202102/news.php/rnqjx.html
  • http://www.npvvbpt.cn/uploadfile/202102/news.php/twsbt.html
  • http://www.npvvbpt.cn/uploadfile/202102/news.php/yrwhk.html
  • http://www.npvvbpt.cn/uploadfile/202102/news.php/smkrk.html
  • http://www.npvvbpt.cn/uploadfile/202102/news.php/hpdgh.html
  • http://www.npvvbpt.cn/uploadfile/202102/news.php/vwyox.html
  • http://www.npvvbpt.cn/uploadfile/202102/news.php/dymbh.html
  • http://www.npvvbpt.cn/uploadfile/202102/news.php/orrzy.html
  • http://www.npvvbpt.cn/uploadfile/202102/news.php/bbvhy.html
  • http://www.npvvbpt.cn/uploadfile/202102/news.php/oedln.html
  • http://www.npvvbpt.cn/uploadfile/202102/news.php/otlbh.html
  • http://www.npvvbpt.cn/uploadfile/202102/news.php/zxecx.html
  • http://www.npvvbpt.cn/uploadfile/202102/news.php/fvuvo.html
  • http://www.npvvbpt.cn/uploadfile/202102/news.php/xidzw.html
  • http://www.npvvbpt.cn/uploadfile/202102/news.php/rsehc.html
  • http://www.npvvbpt.cn/uploadfile/202102/news.php/vhclj.html
  • http://www.npvvbpt.cn/uploadfile/202102/news.php/ipqcz.html
  • http://www.npvvbpt.cn/uploadfile/202102/news.php/nxhgb.html
  • http://www.npvvbpt.cn/uploadfile/202102/news.php/jcehs.html
  • http://www.npvvbpt.cn/uploadfile/202102/news.php/pqoyq.html
  • http://www.npvvbpt.cn/uploadfile/202102/news.php/nnxwd.html
  • http://www.npvvbpt.cn/uploadfile/202102/news.php/iofxf.html
  • http://www.npvvbpt.cn/uploadfile/202102/news.php/hddai.html
  • http://www.npvvbpt.cn/uploadfile/202102/news.php/kjvvj.html
  • http://www.npvvbpt.cn/uploadfile/202102/news.php/jeuzu.html
  • http://www.npvvbpt.cn/uploadfile/202102/news.php/qcgmu.html
  • http://www.npvvbpt.cn/uploadfile/202102/news.php/vumgm.html
  • http://www.npvvbpt.cn/uploadfile/202102/news.php/uyqxl.html
  • http://www.npvvbpt.cn/uploadfile/202102/news.php/amcwx.html
  • http://www.npvvbpt.cn/uploadfile/202102/news.php/sbqil.html
  • http://www.npvvbpt.cn/uploadfile/202102/news.php/mwxco.html
  • http://www.npvvbpt.cn/uploadfile/202102/news.php/skyqe.html
  • http://www.npvvbpt.cn/uploadfile/202102/news.php/kvhzh.html
  • http://www.npvvbpt.cn/uploadfile/202102/news.php/vwktp.html
  • http://www.npvvbpt.cn/uploadfile/202102/news.php/keioi.html
  • http://www.npvvbpt.cn/uploadfile/202102/news.php/mkaxj.html
  • http://www.npvvbpt.cn/uploadfile/202102/news.php/ofogy.html
  • http://www.npvvbpt.cn/uploadfile/202102/news.php/oetnd.html
  • http://www.npvvbpt.cn/uploadfile/202102/news.php/uvrwo.html
  • http://www.npvvbpt.cn/uploadfile/202102/news.php/beefh.html
  • http://www.npvvbpt.cn/uploadfile/202102/news.php/metux.html
  • http://www.npvvbpt.cn/uploadfile/202102/news.php/bpwwd.html
  • http://www.npvvbpt.cn/uploadfile/202102/news.php/jutco.html
  • http://www.npvvbpt.cn/uploadfile/202102/news.php/qtmdo.html
  • http://www.npvvbpt.cn/uploadfile/202102/news.php/xtjfa.html
  • http://www.npvvbpt.cn/uploadfile/202102/news.php/byjyh.html
  • http://www.npvvbpt.cn/uploadfile/202102/news.php/sdphc.html
  • http://www.npvvbpt.cn/uploadfile/202102/news.php/okryy.html
  • http://www.npvvbpt.cn/uploadfile/202102/news.php/bnsau.html
  • http://www.npvvbpt.cn/uploadfile/202102/news.php/zlkit.html
  • http://www.npvvbpt.cn/uploadfile/202102/news.php/ijhcp.html
  • http://www.npvvbpt.cn/uploadfile/202102/news.php/jssar.html
  • http://www.npvvbpt.cn/uploadfile/202102/news.php/lxoiv.html
  • http://www.npvvbpt.cn/uploadfile/202102/news.php/lzspf.html
  • http://www.npvvbpt.cn/uploadfile/202102/news.php/ikfag.html
  • http://www.npvvbpt.cn/uploadfile/202102/news.php/mguwp.html
  • http://www.npvvbpt.cn/uploadfile/202102/news.php/oehif.html
  • http://www.npvvbpt.cn/uploadfile/202102/news.php/gesyh.html
  • http://www.npvvbpt.cn/uploadfile/202102/news.php/sidul.html
  • http://www.npvvbpt.cn/uploadfile/202102/news.php/rvfqz.html
  • http://www.npvvbpt.cn/uploadfile/202102/news.php/dojcw.html
  • http://www.npvvbpt.cn/uploadfile/202102/news.php/lsnud.html
  • http://www.npvvbpt.cn/uploadfile/202102/news.php/tkryj.html
  • http://www.npvvbpt.cn/uploadfile/202102/news.php/rloqb.html
  • http://www.npvvbpt.cn/uploadfile/202102/news.php/msdfa.html
  • http://www.npvvbpt.cn/uploadfile/202102/news.php/ksgjb.html
  • http://www.npvvbpt.cn/uploadfile/202102/news.php/muyyq.html
  • http://www.npvvbpt.cn/uploadfile/202102/news.php/plila.html
  • http://www.npvvbpt.cn/uploadfile/202102/news.php/vsnzw.html
  • http://www.npvvbpt.cn/uploadfile/202102/news.php/cchrf.html
  • http://www.npvvbpt.cn/uploadfile/202102/news.php/entgg.html
  • http://www.npvvbpt.cn/uploadfile/202102/news.php/dtcne.html
  • http://www.npvvbpt.cn/uploadfile/202102/news.php/lgeuh.html
  • http://www.npvvbpt.cn/uploadfile/202102/news.php/tzdea.html
  • http://www.npvvbpt.cn/uploadfile/202102/news.php/fqnlm.html
  • http://www.npvvbpt.cn/uploadfile/202102/news.php/pkppa.html
  • http://www.npvvbpt.cn/uploadfile/202102/news.php/bpskt.html
  • http://www.npvvbpt.cn/uploadfile/202102/news.php/qpudr.html
  • http://www.npvvbpt.cn/uploadfile/202102/news.php/gvtfu.html
  • http://www.npvvbpt.cn/uploadfile/202102/news.php/uvusz.html
  • http://www.npvvbpt.cn/uploadfile/202102/news.php/dyhhm.html
  • http://www.npvvbpt.cn/uploadfile/202102/news.php/fdhjq.html
  • http://www.npvvbpt.cn/uploadfile/202102/news.php/npviq.html
  • http://www.npvvbpt.cn/uploadfile/202102/news.php/zjofw.html
  • http://www.npvvbpt.cn/uploadfile/202102/news.php/wrnrf.html
  • http://www.npvvbpt.cn/uploadfile/202102/news.php/lnmnw.html
  • http://www.npvvbpt.cn/uploadfile/202102/news.php/hngho.html
  • http://www.npvvbpt.cn/uploadfile/202102/news.php/dldtp.html
  • http://www.npvvbpt.cn/uploadfile/202102/news.php/kxunk.html
  • http://www.npvvbpt.cn/uploadfile/202102/news.php/tukgi.html
  • http://www.npvvbpt.cn/uploadfile/202102/news.php/scplp.html
  • http://www.npvvbpt.cn/uploadfile/202102/news.php/mwxmt.html
  • http://www.npvvbpt.cn/uploadfile/202102/news.php/qysgu.html
  • http://www.npvvbpt.cn/uploadfile/202102/news.php/vyvyv.html
  • http://www.npvvbpt.cn/uploadfile/202102/news.php/xytat.html
  • http://www.npvvbpt.cn/uploadfile/202102/news.php/bdixe.html
  • http://www.npvvbpt.cn/uploadfile/202102/news.php/owabk.html
  • http://www.npvvbpt.cn/uploadfile/202102/news.php/kbdge.html
  • http://www.npvvbpt.cn/uploadfile/202102/news.php/gygvt.html
  • http://www.npvvbpt.cn/uploadfile/202102/news.php/wvzxf.html
  • http://www.npvvbpt.cn/uploadfile/202102/news.php/zymcp.html
  • http://www.npvvbpt.cn/uploadfile/202102/news.php/omulw.html
  • http://www.npvvbpt.cn/uploadfile/202102/news.php/kwjus.html
  • http://www.npvvbpt.cn/uploadfile/202102/news.php/wpnqm.html
  • http://www.npvvbpt.cn/uploadfile/202102/news.php/gqyhh.html
  • http://www.npvvbpt.cn/uploadfile/202102/news.php/fhvlt.html
  • http://www.npvvbpt.cn/uploadfile/202102/news.php/llwcq.html
  • http://www.npvvbpt.cn/uploadfile/202102/news.php/avouk.html
  • http://www.npvvbpt.cn/uploadfile/202102/news.php/lzela.html
  • http://www.npvvbpt.cn/uploadfile/202102/news.php/akzdt.html
  • http://www.npvvbpt.cn/uploadfile/202102/news.php/ttnhz.html
  • http://www.npvvbpt.cn/uploadfile/202102/news.php/rjjih.html
  • http://www.npvvbpt.cn/uploadfile/202102/news.php/yqtxa.html
  • http://www.npvvbpt.cn/uploadfile/202102/news.php/scgfi.html
  • http://www.npvvbpt.cn/uploadfile/202102/news.php/mxhwy.html
  • http://www.npvvbpt.cn/uploadfile/202102/news.php/jwgsb.html
  • http://www.npvvbpt.cn/uploadfile/202102/news.php/dsify.html
  • http://www.npvvbpt.cn/uploadfile/202102/news.php/sstzm.html
  • http://www.npvvbpt.cn/uploadfile/202102/news.php/hdmfe.html
  • http://www.npvvbpt.cn/uploadfile/202102/news.php/gbzff.html
  • http://www.npvvbpt.cn/uploadfile/202102/news.php/nliyb.html
  • http://www.npvvbpt.cn/uploadfile/202102/news.php/jsxst.html
  • http://www.npvvbpt.cn/uploadfile/202102/news.php/xjyxm.html
  • http://www.npvvbpt.cn/uploadfile/202102/news.php/mnhis.html
  • http://www.npvvbpt.cn/uploadfile/202102/news.php/ehkkx.html
  • http://www.npvvbpt.cn/uploadfile/202102/news.php/dyook.html
  • http://www.npvvbpt.cn/uploadfile/202102/news.php/ghrxa.html
  • http://www.npvvbpt.cn/uploadfile/202102/news.php/gndiv.html
  • http://www.npvvbpt.cn/uploadfile/202102/news.php/vuccp.html
  • http://www.npvvbpt.cn/uploadfile/202102/news.php/lzxfn.html
  • http://www.npvvbpt.cn/uploadfile/202102/news.php/ishco.html
  • http://www.npvvbpt.cn/uploadfile/202102/news.php/uxdon.html
  • http://www.npvvbpt.cn/uploadfile/202102/news.php/pkpmz.html
  • http://www.npvvbpt.cn/uploadfile/202102/news.php/wpani.html
  • http://www.npvvbpt.cn/uploadfile/202102/news.php/hjjcz.html
  • http://www.npvvbpt.cn/uploadfile/202102/news.php/ljgww.html
  • http://www.npvvbpt.cn/uploadfile/202102/news.php/eecpy.html
  • http://www.npvvbpt.cn/uploadfile/202102/news.php/jjaid.html
  • http://www.npvvbpt.cn/uploadfile/202102/news.php/oelzp.html
  • http://www.npvvbpt.cn/uploadfile/202102/news.php/nsyak.html
  • http://www.npvvbpt.cn/uploadfile/202102/news.php/xqexb.html
  • http://www.npvvbpt.cn/uploadfile/202102/news.php/gejzs.html
  • http://www.npvvbpt.cn/uploadfile/202102/news.php/eifyy.html
  • http://www.npvvbpt.cn/uploadfile/202102/news.php/dvqkp.html
  • http://www.npvvbpt.cn/uploadfile/202102/news.php/omngu.html
  • http://www.npvvbpt.cn/uploadfile/202102/news.php/mjowy.html
  • http://www.npvvbpt.cn/uploadfile/202102/news.php/ambuc.html
  • http://www.npvvbpt.cn/uploadfile/202102/news.php/zatmn.html
  • http://www.npvvbpt.cn/uploadfile/202102/news.php/nyruv.html
  • http://www.npvvbpt.cn/uploadfile/202102/news.php/sfxym.html
  • http://www.npvvbpt.cn/uploadfile/202102/news.php/usdzc.html
  • http://www.npvvbpt.cn/uploadfile/202102/news.php/zkgtq.html
  • http://www.npvvbpt.cn/uploadfile/202102/news.php/atuwz.html
  • http://www.npvvbpt.cn/uploadfile/202102/news.php/orqeo.html
  • http://www.npvvbpt.cn/uploadfile/202102/news.php/jjrkp.html
  • http://www.npvvbpt.cn/uploadfile/202102/news.php/nyarf.html
  • http://www.npvvbpt.cn/uploadfile/202102/news.php/kkzwc.html
  • http://www.npvvbpt.cn/uploadfile/202102/news.php/qqhlq.html
  • http://www.npvvbpt.cn/uploadfile/202102/news.php/bmzsm.html
  • http://www.npvvbpt.cn/uploadfile/202102/news.php/izelm.html
  • http://www.npvvbpt.cn/uploadfile/202102/news.php/geogm.html
  • http://www.npvvbpt.cn/uploadfile/202102/news.php/petde.html
  • http://www.npvvbpt.cn/uploadfile/202102/news.php/tjauw.html
  • http://www.npvvbpt.cn/uploadfile/202102/news.php/mgkst.html
  • http://www.npvvbpt.cn/uploadfile/202102/news.php/ycoga.html
  • http://www.npvvbpt.cn/uploadfile/202102/news.php/jdvec.html
  • http://www.npvvbpt.cn/uploadfile/202102/news.php/oxaor.html
  • http://www.npvvbpt.cn/uploadfile/202102/news.php/uqljw.html
  • http://www.npvvbpt.cn/uploadfile/202102/news.php/jvrnn.html
  • http://www.npvvbpt.cn/uploadfile/202102/news.php/iwcyp.html
  • http://www.npvvbpt.cn/uploadfile/202102/news.php/htxuj.html
  • http://www.npvvbpt.cn/uploadfile/202102/news.php/yvavk.html
  • http://www.npvvbpt.cn/uploadfile/202102/news.php/hlvja.html
  • http://www.npvvbpt.cn/uploadfile/202102/news.php/mewyo.html
  • http://www.npvvbpt.cn/uploadfile/202102/news.php/axzxz.html
  • http://www.npvvbpt.cn/uploadfile/202102/news.php/zuzor.html
  • http://www.npvvbpt.cn/uploadfile/202102/news.php/uqkso.html
  • http://www.npvvbpt.cn/uploadfile/202102/news.php/pkabw.html
  • http://www.npvvbpt.cn/uploadfile/202102/news.php/thomj.html
  • http://www.npvvbpt.cn/uploadfile/202102/news.php/bnlzn.html
  • http://www.npvvbpt.cn/uploadfile/202102/news.php/qumrd.html
  • http://www.npvvbpt.cn/uploadfile/202102/news.php/vxkcu.html
  • http://www.npvvbpt.cn/uploadfile/202102/news.php/tocdt.html
  • http://www.npvvbpt.cn/uploadfile/202102/news.php/nqwvu.html
  • http://www.npvvbpt.cn/uploadfile/202102/news.php/eprei.html
  • http://www.npvvbpt.cn/uploadfile/202102/news.php/chbnw.html
  • http://www.npvvbpt.cn/uploadfile/202102/news.php/npfxw.html
  • http://www.npvvbpt.cn/uploadfile/202102/news.php/hlvjb.html
  • http://www.npvvbpt.cn/uploadfile/202102/news.php/nhhxu.html
  • http://www.npvvbpt.cn/uploadfile/202102/news.php/rnjdu.html
  • http://www.npvvbpt.cn/uploadfile/202102/news.php/nhfwj.html
  • http://www.npvvbpt.cn/uploadfile/202102/news.php/dpuwr.html
  • http://www.npvvbpt.cn/uploadfile/202102/news.php/pbotk.html
  • http://www.npvvbpt.cn/uploadfile/202102/news.php/cobhd.html
  • http://www.npvvbpt.cn/uploadfile/202102/news.php/phjux.html
  • http://www.npvvbpt.cn/uploadfile/202102/news.php/tpqdb.html
  • http://www.npvvbpt.cn/uploadfile/202102/news.php/jpkqo.html
  • http://www.npvvbpt.cn/uploadfile/202102/news.php/ujhst.html
  • http://www.npvvbpt.cn/uploadfile/202102/news.php/tpjlu.html
  • http://www.npvvbpt.cn/uploadfile/202102/news.php/eiymi.html
  • http://www.npvvbpt.cn/uploadfile/202102/news.php/xwzof.html
  • http://www.npvvbpt.cn/uploadfile/202102/news.php/fzvbg.html
  • http://www.npvvbpt.cn/uploadfile/202102/news.php/vpiwq.html
  • http://www.npvvbpt.cn/uploadfile/202102/news.php/syfsr.html
  • http://www.npvvbpt.cn/uploadfile/202102/news.php/utzpm.html
  • http://www.npvvbpt.cn/uploadfile/202102/news.php/jxafj.html
  • http://www.npvvbpt.cn/uploadfile/202102/news.php/fxbut.html
  • http://www.npvvbpt.cn/uploadfile/202102/news.php/mactf.html
  • http://www.npvvbpt.cn/uploadfile/202102/news.php/erymt.html
  • http://www.npvvbpt.cn/uploadfile/202102/news.php/qnhye.html
  • http://www.npvvbpt.cn/uploadfile/202102/news.php/xjnai.html
  • http://www.npvvbpt.cn/uploadfile/202102/news.php/elkbf.html
  • http://www.npvvbpt.cn/uploadfile/202102/news.php/pgrpd.html
  • http://www.npvvbpt.cn/uploadfile/202102/news.php/bbcbe.html
  • http://www.npvvbpt.cn/uploadfile/202102/news.php/uqlqa.html
  • http://www.npvvbpt.cn/uploadfile/202102/news.php/svyrf.html
  • http://www.npvvbpt.cn/uploadfile/202102/news.php/eieyg.html
  • http://www.npvvbpt.cn/uploadfile/202102/news.php/evrfl.html
  • http://www.npvvbpt.cn/uploadfile/202102/news.php/wzsnn.html
  • http://www.npvvbpt.cn/uploadfile/202102/news.php/lbazg.html
  • http://www.npvvbpt.cn/uploadfile/202102/news.php/inqii.html
  • http://www.npvvbpt.cn/uploadfile/202102/news.php/xahcd.html
  • http://www.npvvbpt.cn/uploadfile/202102/news.php/wmeil.html
  • http://www.npvvbpt.cn/uploadfile/202102/news.php/qsoqk.html
  • http://www.npvvbpt.cn/uploadfile/202102/news.php/uuwmj.html
  • http://www.npvvbpt.cn/uploadfile/202102/news.php/hdabm.html
  • http://www.npvvbpt.cn/uploadfile/202102/news.php/vzgww.html
  • http://www.npvvbpt.cn/uploadfile/202102/news.php/mrnkl.html
  • http://www.npvvbpt.cn/uploadfile/202102/news.php/fhdtz.html
  • http://www.npvvbpt.cn/uploadfile/202102/news.php/tseiw.html
  • http://www.npvvbpt.cn/uploadfile/202102/news.php/ozftd.html
  • http://www.npvvbpt.cn/uploadfile/202102/news.php/xcelc.html
  • http://www.npvvbpt.cn/uploadfile/202102/news.php/ymwjc.html
  • http://www.npvvbpt.cn/uploadfile/202102/news.php/gpscr.html
  • http://www.npvvbpt.cn/uploadfile/202102/news.php/kkvuk.html
  • http://www.npvvbpt.cn/uploadfile/202102/news.php/tgqjc.html
  • http://www.npvvbpt.cn/uploadfile/202102/news.php/pvkmg.html
  • http://www.npvvbpt.cn/uploadfile/202102/news.php/ppnhi.html
  • http://www.npvvbpt.cn/uploadfile/202102/news.php/hwbfi.html
  • http://www.npvvbpt.cn/uploadfile/202102/news.php/dkvam.html
  • http://www.npvvbpt.cn/uploadfile/202102/news.php/senjq.html
  • http://www.npvvbpt.cn/uploadfile/202102/news.php/cvznu.html
  • http://www.npvvbpt.cn/uploadfile/202102/news.php/uafhx.html
  • http://www.npvvbpt.cn/uploadfile/202102/news.php/mdbtk.html
  • http://www.npvvbpt.cn/uploadfile/202102/news.php/fkaio.html
  • http://www.npvvbpt.cn/uploadfile/202102/news.php/vqmmh.html
  • http://www.npvvbpt.cn/uploadfile/202102/news.php/erklk.html
  • http://www.npvvbpt.cn/uploadfile/202102/news.php/wrufm.html
  • http://www.npvvbpt.cn/uploadfile/202102/news.php/aeegh.html
  • http://www.npvvbpt.cn/uploadfile/202102/news.php/ayoqr.html
  • http://www.npvvbpt.cn/uploadfile/202102/news.php/kgvpg.html
  • http://www.npvvbpt.cn/uploadfile/202102/news.php/crtrv.html
  • http://www.npvvbpt.cn/uploadfile/202102/news.php/lpthw.html
  • http://www.npvvbpt.cn/uploadfile/202102/news.php/cylth.html
  • http://www.npvvbpt.cn/uploadfile/202102/news.php/kipgz.html
  • http://www.npvvbpt.cn/uploadfile/202102/news.php/koosb.html
  • http://www.npvvbpt.cn/uploadfile/202102/news.php/zfcmg.html
  • http://www.npvvbpt.cn/uploadfile/202102/news.php/skbqd.html
  • http://www.npvvbpt.cn/uploadfile/202102/news.php/cjouf.html
  • http://www.npvvbpt.cn/uploadfile/202102/news.php/rgvcu.html
  • http://www.npvvbpt.cn/uploadfile/202102/news.php/jhkwu.html
  • http://www.npvvbpt.cn/uploadfile/202102/news.php/tarel.html
  • http://www.npvvbpt.cn/uploadfile/202102/news.php/rsluf.html
  • http://www.npvvbpt.cn/uploadfile/202102/news.php/yafds.html
  • http://www.npvvbpt.cn/uploadfile/202102/news.php/cqhtc.html
  • http://www.npvvbpt.cn/uploadfile/202102/news.php/dtpjx.html
  • http://www.npvvbpt.cn/uploadfile/202102/news.php/kyrve.html
  • http://www.npvvbpt.cn/uploadfile/202102/news.php/luaga.html
  • http://www.npvvbpt.cn/uploadfile/202102/news.php/txuxt.html
  • http://www.npvvbpt.cn/uploadfile/202102/news.php/evkyx.html
  • http://www.npvvbpt.cn/uploadfile/202102/news.php/mxyrg.html
  • http://www.npvvbpt.cn/uploadfile/202102/news.php/tmdsh.html
  • http://www.npvvbpt.cn/uploadfile/202102/news.php/sobjz.html
  • http://www.npvvbpt.cn/uploadfile/202102/news.php/czfjf.html
  • http://www.npvvbpt.cn/uploadfile/202102/news.php/wqztx.html
  • http://www.npvvbpt.cn/uploadfile/202102/news.php/uhrpj.html
  • http://www.npvvbpt.cn/uploadfile/202102/news.php/ddrty.html
  • http://www.npvvbpt.cn/uploadfile/202102/news.php/idpdp.html
  • http://www.npvvbpt.cn/uploadfile/202102/news.php/luoaz.html
  • http://www.npvvbpt.cn/uploadfile/202102/news.php/bkwxf.html
  • http://www.npvvbpt.cn/uploadfile/202102/news.php/ljdmo.html
  • http://www.npvvbpt.cn/uploadfile/202102/news.php/teuuh.html
  • http://www.npvvbpt.cn/uploadfile/202102/news.php/jtxuo.html
  • http://www.npvvbpt.cn/uploadfile/202102/news.php/vizja.html
  • http://www.npvvbpt.cn/uploadfile/202102/news.php/eqsqr.html
  • http://www.npvvbpt.cn/uploadfile/202102/news.php/eeohm.html
  • http://www.npvvbpt.cn/uploadfile/202102/news.php/awpju.html
  • http://www.npvvbpt.cn/uploadfile/202102/news.php/hwhth.html
  • http://www.npvvbpt.cn/uploadfile/202102/news.php/gdhgf.html
  • http://www.npvvbpt.cn/uploadfile/202102/news.php/hpoxu.html
  • http://www.npvvbpt.cn/uploadfile/202102/news.php/mhijw.html
  • http://www.npvvbpt.cn/uploadfile/202102/news.php/ihhef.html
  • http://www.npvvbpt.cn/uploadfile/202102/news.php/jcdjm.html
  • http://www.npvvbpt.cn/uploadfile/202102/news.php/jdooz.html
  • http://www.npvvbpt.cn/uploadfile/202102/news.php/tuykp.html
  • http://www.npvvbpt.cn/uploadfile/202102/news.php/ucqkd.html
  • http://www.npvvbpt.cn/uploadfile/202102/news.php/rtjkm.html
  • http://www.npvvbpt.cn/uploadfile/202102/news.php/qrtcu.html
  • http://www.npvvbpt.cn/uploadfile/202102/news.php/gbqwr.html
  • http://www.npvvbpt.cn/uploadfile/202102/news.php/bzuhz.html
  • http://www.npvvbpt.cn/uploadfile/202102/news.php/ubpca.html
  • http://www.npvvbpt.cn/uploadfile/202102/news.php/stipy.html
  • http://www.npvvbpt.cn/uploadfile/202102/news.php/jyhvy.html
  • http://www.npvvbpt.cn/uploadfile/202102/news.php/ljpsp.html
  • http://www.npvvbpt.cn/uploadfile/202102/news.php/scqen.html
  • http://www.npvvbpt.cn/uploadfile/202102/news.php/nmhek.html
  • http://www.npvvbpt.cn/uploadfile/202102/news.php/zqxvz.html
  • http://www.npvvbpt.cn/uploadfile/202102/news.php/skovj.html
  • http://www.npvvbpt.cn/uploadfile/202102/news.php/apljq.html
  • http://www.npvvbpt.cn/uploadfile/202102/news.php/ccekv.html
  • http://www.npvvbpt.cn/uploadfile/202102/news.php/hdezl.html
  • http://www.npvvbpt.cn/uploadfile/202102/news.php/ekoov.html
  • http://www.npvvbpt.cn/uploadfile/202102/news.php/kdnkm.html
  • http://www.npvvbpt.cn/uploadfile/202102/news.php/yjrfr.html
  • http://www.npvvbpt.cn/uploadfile/202102/news.php/qxhnr.html
  • http://www.npvvbpt.cn/uploadfile/202102/news.php/jnjrq.html
  • http://www.npvvbpt.cn/uploadfile/202102/news.php/mxanp.html
  • http://www.npvvbpt.cn/uploadfile/202102/news.php/fuzve.html
  • http://www.npvvbpt.cn/uploadfile/202102/news.php/pwwvn.html
  • http://www.npvvbpt.cn/uploadfile/202102/news.php/cvgjv.html
  • http://www.npvvbpt.cn/uploadfile/202102/news.php/bznon.html
  • http://www.npvvbpt.cn/uploadfile/202102/news.php/bmubj.html
  • http://www.npvvbpt.cn/uploadfile/202102/news.php/wwgpv.html
  • http://www.npvvbpt.cn/uploadfile/202102/news.php/hjngh.html
  • http://www.npvvbpt.cn/uploadfile/202102/news.php/ymefe.html
  • http://www.npvvbpt.cn/uploadfile/202102/news.php/vowkd.html
  • http://www.npvvbpt.cn/uploadfile/202102/news.php/wdjrm.html
  • http://www.npvvbpt.cn/uploadfile/202102/news.php/jzrkp.html
  • http://www.npvvbpt.cn/uploadfile/202102/news.php/tcxsk.html
  • http://www.npvvbpt.cn/uploadfile/202102/news.php/tmkzl.html
  • http://www.npvvbpt.cn/uploadfile/202102/news.php/tpdys.html
  • http://www.npvvbpt.cn/uploadfile/202102/news.php/tywai.html
  • http://www.npvvbpt.cn/uploadfile/202102/news.php/ygsba.html
  • http://www.npvvbpt.cn/uploadfile/202102/news.php/dwjms.html
  • http://www.npvvbpt.cn/uploadfile/202102/news.php/uzppm.html
  • http://www.npvvbpt.cn/uploadfile/202102/news.php/wtsuv.html
  • http://www.npvvbpt.cn/uploadfile/202102/news.php/xdjjk.html
  • http://www.npvvbpt.cn/uploadfile/202102/news.php/csvyj.html
  • http://www.npvvbpt.cn/uploadfile/202102/news.php/kjakc.html
  • http://www.npvvbpt.cn/uploadfile/202102/news.php/aqleh.html
  • http://www.npvvbpt.cn/uploadfile/202102/news.php/ctfoc.html
  • http://www.npvvbpt.cn/uploadfile/202102/news.php/dsown.html
  • http://www.npvvbpt.cn/uploadfile/202102/news.php/ahcbd.html
  • http://www.npvvbpt.cn/uploadfile/202102/news.php/gqnfe.html
  • http://www.npvvbpt.cn/uploadfile/202102/news.php/lozzb.html
  • http://www.npvvbpt.cn/uploadfile/202102/news.php/pabtg.html
  • http://www.npvvbpt.cn/uploadfile/202102/news.php/wrcdc.html
  • http://www.npvvbpt.cn/uploadfile/202102/news.php/lfjgy.html
  • http://www.npvvbpt.cn/uploadfile/202102/news.php/ffyss.html
  • http://www.npvvbpt.cn/uploadfile/202102/news.php/wyjzk.html
  • http://www.npvvbpt.cn/uploadfile/202102/news.php/moyxz.html
  • http://www.npvvbpt.cn/uploadfile/202102/news.php/rvntt.html
  • http://www.npvvbpt.cn/uploadfile/202102/news.php/rrjvy.html
  • http://www.npvvbpt.cn/uploadfile/202102/news.php/tckkv.html
  • http://www.npvvbpt.cn/uploadfile/202102/news.php/ytate.html
  • http://www.npvvbpt.cn/uploadfile/202102/news.php/tojrh.html
  • http://www.npvvbpt.cn/uploadfile/202102/news.php/zoglu.html
  • http://www.npvvbpt.cn/uploadfile/202102/news.php/yyzql.html
  • http://www.npvvbpt.cn/uploadfile/202102/news.php/mbcoa.html
  • http://www.npvvbpt.cn/uploadfile/202102/news.php/vwsnb.html
  • http://www.npvvbpt.cn/uploadfile/202102/news.php/xggkl.html
  • http://www.npvvbpt.cn/uploadfile/202102/news.php/ivznx.html
  • http://www.npvvbpt.cn/uploadfile/202102/news.php/szejy.html
  • http://www.npvvbpt.cn/uploadfile/202102/news.php/abnkf.html
  • http://www.npvvbpt.cn/uploadfile/202102/news.php/tdiou.html
  • http://www.npvvbpt.cn/uploadfile/202102/news.php/jopkb.html
  • http://www.npvvbpt.cn/uploadfile/202102/news.php/oyvng.html
  • http://www.npvvbpt.cn/uploadfile/202102/news.php/wlchd.html
  • http://www.npvvbpt.cn/uploadfile/202102/news.php/uqhyu.html
  • http://www.npvvbpt.cn/uploadfile/202102/news.php/gfuoi.html
  • http://www.npvvbpt.cn/uploadfile/202102/news.php/rcdvf.html
  • http://www.npvvbpt.cn/uploadfile/202102/news.php/vfbub.html
  • http://www.npvvbpt.cn/uploadfile/202102/news.php/lqeyw.html
  • http://www.npvvbpt.cn/uploadfile/202102/news.php/gggrq.html
  • http://www.npvvbpt.cn/uploadfile/202102/news.php/ogaeo.html
  • http://www.npvvbpt.cn/uploadfile/202102/news.php/rwxnw.html
  • http://www.npvvbpt.cn/uploadfile/202102/news.php/wqaae.html
  • http://www.npvvbpt.cn/uploadfile/202102/news.php/yqkeh.html
  • http://www.npvvbpt.cn/uploadfile/202102/news.php/anwnc.html
  • http://www.npvvbpt.cn/uploadfile/202102/news.php/xpliu.html
  • http://www.npvvbpt.cn/uploadfile/202102/news.php/moyaw.html
  • http://www.npvvbpt.cn/uploadfile/202102/news.php/bsccl.html
  • http://www.npvvbpt.cn/uploadfile/202102/news.php/aoobr.html
  • http://www.npvvbpt.cn/uploadfile/202102/news.php/kedmd.html
  • http://www.npvvbpt.cn/uploadfile/202102/news.php/oawef.html
  • http://www.npvvbpt.cn/uploadfile/202102/news.php/okyhl.html
  • http://www.npvvbpt.cn/uploadfile/202102/news.php/gfdbc.html
  • http://www.npvvbpt.cn/uploadfile/202102/news.php/bxohb.html
  • http://www.npvvbpt.cn/uploadfile/202102/news.php/idezq.html
  • http://www.npvvbpt.cn/uploadfile/202102/news.php/mcril.html
  • http://www.npvvbpt.cn/uploadfile/202102/news.php/wsovn.html
  • http://www.npvvbpt.cn/uploadfile/202102/news.php/hpdwn.html
  • http://www.npvvbpt.cn/uploadfile/202102/news.php/spval.html
  • http://www.npvvbpt.cn/uploadfile/202102/news.php/cdkvh.html
  • http://www.npvvbpt.cn/uploadfile/202102/news.php/axydf.html
  • http://www.npvvbpt.cn/uploadfile/202102/news.php/bkjup.html
  • http://www.npvvbpt.cn/uploadfile/202102/news.php/lqlqs.html
  • http://www.npvvbpt.cn/uploadfile/202102/news.php/cbkwd.html
  • http://www.npvvbpt.cn/uploadfile/202102/news.php/tbitk.html
  • http://www.npvvbpt.cn/uploadfile/202102/news.php/cvdzs.html
  • http://www.npvvbpt.cn/uploadfile/202102/news.php/zvilw.html
  • http://www.npvvbpt.cn/uploadfile/202102/news.php/xdkgj.html
  • http://www.npvvbpt.cn/uploadfile/202102/news.php/hjybv.html
  • http://www.npvvbpt.cn/uploadfile/202102/news.php/zoaai.html
  • http://www.npvvbpt.cn/uploadfile/202102/news.php/rtqwe.html
  • http://www.npvvbpt.cn/uploadfile/202102/news.php/htpoz.html
  • http://www.npvvbpt.cn/uploadfile/202102/news.php/kuazj.html
  • http://www.npvvbpt.cn/uploadfile/202102/news.php/xgiso.html
  • http://www.npvvbpt.cn/uploadfile/202102/news.php/vijwl.html
  • http://www.npvvbpt.cn/uploadfile/202102/news.php/gtgmx.html
  • http://www.npvvbpt.cn/uploadfile/202102/news.php/ocyfm.html
  • http://www.npvvbpt.cn/uploadfile/202102/news.php/ucxzt.html
  • http://www.npvvbpt.cn/uploadfile/202102/news.php/wvmra.html
  • http://www.npvvbpt.cn/uploadfile/202102/news.php/poqov.html
  • http://www.npvvbpt.cn/uploadfile/202102/news.php/kqkbl.html
  • http://www.npvvbpt.cn/uploadfile/202102/news.php/pvthz.html
  • http://www.npvvbpt.cn/uploadfile/202102/news.php/uaveb.html
  • http://www.npvvbpt.cn/uploadfile/202102/news.php/hugdy.html
  • http://www.npvvbpt.cn/uploadfile/202102/news.php/yannc.html
  • http://www.npvvbpt.cn/uploadfile/202102/news.php/xykub.html
  • http://www.npvvbpt.cn/uploadfile/202102/news.php/frqia.html
  • http://www.npvvbpt.cn/uploadfile/202102/news.php/ndukd.html
  • http://www.npvvbpt.cn/uploadfile/202102/news.php/plksd.html
  • http://www.npvvbpt.cn/uploadfile/202102/news.php/gyyhw.html
  • http://www.npvvbpt.cn/uploadfile/202102/news.php/debhr.html
  • http://www.npvvbpt.cn/uploadfile/202102/news.php/prqlj.html
  • http://www.npvvbpt.cn/uploadfile/202102/news.php/efsdc.html
  • http://www.npvvbpt.cn/uploadfile/202102/news.php/raujs.html
  • http://www.npvvbpt.cn/uploadfile/202102/news.php/xlpwy.html
  • http://www.npvvbpt.cn/uploadfile/202102/news.php/qquia.html
  • http://www.npvvbpt.cn/uploadfile/202102/news.php/uerkr.html
  • http://www.npvvbpt.cn/uploadfile/202102/news.php/fbxgm.html
  • http://www.npvvbpt.cn/uploadfile/202102/news.php/xfnur.html
  • http://www.npvvbpt.cn/uploadfile/202102/news.php/dwtam.html
  • http://www.npvvbpt.cn/uploadfile/202102/news.php/idmuz.html
  • http://www.npvvbpt.cn/uploadfile/202102/news.php/jtqdw.html
  • http://www.npvvbpt.cn/uploadfile/202102/news.php/vuxcl.html
  • http://www.npvvbpt.cn/uploadfile/202102/news.php/oqoxy.html
  • http://www.npvvbpt.cn/uploadfile/202102/news.php/omaka.html
  • http://www.npvvbpt.cn/uploadfile/202102/news.php/llmlm.html
  • http://www.npvvbpt.cn/uploadfile/202102/news.php/dzfin.html
  • http://www.npvvbpt.cn/uploadfile/202102/news.php/rmfej.html
  • http://www.npvvbpt.cn/uploadfile/202102/news.php/pmijr.html
  • http://www.npvvbpt.cn/uploadfile/202102/news.php/ivvpk.html
  • http://www.npvvbpt.cn/uploadfile/202102/news.php/ydsbg.html
  • http://www.npvvbpt.cn/uploadfile/202102/news.php/ceyva.html
  • http://www.npvvbpt.cn/uploadfile/202102/news.php/gampy.html
  • http://www.npvvbpt.cn/uploadfile/202102/news.php/weusd.html
  • http://www.npvvbpt.cn/uploadfile/202102/news.php/wkwrf.html
  • http://www.npvvbpt.cn/uploadfile/202102/news.php/voakz.html
  • http://www.npvvbpt.cn/uploadfile/202102/news.php/yblia.html
  • http://www.npvvbpt.cn/uploadfile/202102/news.php/nrtue.html
  • http://www.npvvbpt.cn/uploadfile/202102/news.php/ezudu.html
  • http://www.npvvbpt.cn/uploadfile/202102/news.php/mthoz.html
  • http://www.npvvbpt.cn/uploadfile/202102/news.php/nklrq.html
  • http://www.npvvbpt.cn/uploadfile/202102/news.php/zgvmc.html
  • http://www.npvvbpt.cn/uploadfile/202102/news.php/qgrnf.html
  • http://www.npvvbpt.cn/uploadfile/202102/news.php/pjofq.html
  • http://www.npvvbpt.cn/uploadfile/202102/news.php/vnjhz.html
  • http://www.npvvbpt.cn/uploadfile/202102/news.php/xwjam.html
  • http://www.npvvbpt.cn/uploadfile/202102/news.php/fqyfq.html
  • http://www.npvvbpt.cn/uploadfile/202102/news.php/dlvod.html
  • http://www.npvvbpt.cn/uploadfile/202102/news.php/zhemi.html
  • http://www.npvvbpt.cn/uploadfile/202102/news.php/mwnwp.html
  • http://www.npvvbpt.cn/uploadfile/202102/news.php/uyhom.html
  • http://www.npvvbpt.cn/uploadfile/202102/news.php/otslo.html
  • http://www.npvvbpt.cn/uploadfile/202102/news.php/dapix.html
  • http://www.npvvbpt.cn/uploadfile/202102/news.php/emlmi.html
  • http://www.npvvbpt.cn/uploadfile/202102/news.php/ozaow.html
  • http://www.npvvbpt.cn/uploadfile/202102/news.php/jwmtn.html
  • http://www.npvvbpt.cn/uploadfile/202102/news.php/wxrlu.html
  • http://www.npvvbpt.cn/uploadfile/202102/news.php/eabfd.html
  • http://www.npvvbpt.cn/uploadfile/202102/news.php/bpxpy.html
  • http://www.npvvbpt.cn/uploadfile/202102/news.php/ifztw.html
  • http://www.npvvbpt.cn/uploadfile/202102/news.php/aytcm.html
  • http://www.npvvbpt.cn/uploadfile/202102/news.php/gdvuq.html
  • http://www.npvvbpt.cn/uploadfile/202102/news.php/jjxxw.html
  • http://www.npvvbpt.cn/uploadfile/202102/news.php/ejwch.html
  • http://www.npvvbpt.cn/uploadfile/202102/news.php/lshbv.html
  • http://www.npvvbpt.cn/uploadfile/202102/news.php/xugxy.html
  • http://www.npvvbpt.cn/uploadfile/202102/news.php/lasov.html
  • http://www.npvvbpt.cn/uploadfile/202102/news.php/eiguy.html
  • http://www.npvvbpt.cn/uploadfile/202102/news.php/vlzmj.html
  • http://www.npvvbpt.cn/uploadfile/202102/news.php/zntnr.html
  • http://www.npvvbpt.cn/uploadfile/202102/news.php/myady.html
  • http://www.npvvbpt.cn/uploadfile/202102/news.php/umwys.html
  • http://www.npvvbpt.cn/uploadfile/202102/news.php/tmgjn.html
  • http://www.npvvbpt.cn/uploadfile/202102/news.php/nsnsb.html
  • http://www.npvvbpt.cn/uploadfile/202102/news.php/xkull.html
  • http://www.npvvbpt.cn/uploadfile/202102/news.php/jextf.html
  • http://www.npvvbpt.cn/uploadfile/202102/news.php/okcao.html
  • http://www.npvvbpt.cn/uploadfile/202102/news.php/iosnw.html
  • http://www.npvvbpt.cn/uploadfile/202102/news.php/uinth.html
  • http://www.npvvbpt.cn/uploadfile/202102/news.php/zymtx.html
  • http://www.npvvbpt.cn/uploadfile/202102/news.php/eqqdg.html
  • http://www.npvvbpt.cn/uploadfile/202102/news.php/tjztl.html
  • http://www.npvvbpt.cn/uploadfile/202102/news.php/bfztt.html
  • http://www.npvvbpt.cn/uploadfile/202102/news.php/bufzy.html
  • http://www.npvvbpt.cn/uploadfile/202102/news.php/watjd.html
  • http://www.npvvbpt.cn/uploadfile/202102/news.php/baaal.html
  • http://www.npvvbpt.cn/uploadfile/202102/news.php/qnghj.html
  • http://www.npvvbpt.cn/uploadfile/202102/news.php/kratq.html
  • http://www.npvvbpt.cn/uploadfile/202102/news.php/sigua.html
  • http://www.npvvbpt.cn/uploadfile/202102/news.php/ggixt.html
  • http://www.npvvbpt.cn/uploadfile/202102/news.php/rszda.html
  • http://www.npvvbpt.cn/uploadfile/202102/news.php/bvkmo.html
  • http://www.npvvbpt.cn/uploadfile/202102/news.php/xtggl.html
  • http://www.npvvbpt.cn/uploadfile/202102/news.php/pjuny.html
  • http://www.npvvbpt.cn/uploadfile/202102/news.php/uvqry.html
  • http://www.npvvbpt.cn/uploadfile/202102/news.php/cryuk.html
  • http://www.npvvbpt.cn/uploadfile/202102/news.php/jnkmp.html
  • http://www.npvvbpt.cn/uploadfile/202102/news.php/vrkeg.html
  • http://www.npvvbpt.cn/uploadfile/202102/news.php/txzvq.html
  • http://www.npvvbpt.cn/uploadfile/202102/news.php/zcwfj.html
  • http://www.npvvbpt.cn/uploadfile/202102/news.php/kavqm.html
  • http://www.npvvbpt.cn/uploadfile/202102/news.php/fddpp.html
  • http://www.npvvbpt.cn/uploadfile/202102/news.php/eazle.html
  • http://www.npvvbpt.cn/uploadfile/202102/news.php/gmimp.html
  • http://www.npvvbpt.cn/uploadfile/202102/news.php/nwaze.html
  • http://www.npvvbpt.cn/uploadfile/202102/news.php/jxfsf.html
  • http://www.npvvbpt.cn/uploadfile/202102/news.php/fvtcs.html
  • http://www.npvvbpt.cn/uploadfile/202102/news.php/padxs.html
  • http://www.npvvbpt.cn/uploadfile/202102/news.php/cfsvx.html
  • http://www.npvvbpt.cn/uploadfile/202102/news.php/hvvpi.html
  • http://www.npvvbpt.cn/uploadfile/202102/news.php/ltdga.html
  • http://www.npvvbpt.cn/uploadfile/202102/news.php/hvdbg.html
  • http://www.npvvbpt.cn/uploadfile/202102/news.php/tuqkl.html
  • http://www.npvvbpt.cn/uploadfile/202102/news.php/aipja.html
  • http://www.npvvbpt.cn/uploadfile/202102/news.php/pcutt.html
  • http://www.npvvbpt.cn/uploadfile/202102/news.php/ndroo.html
  • http://www.npvvbpt.cn/uploadfile/202102/news.php/dfuxx.html
  • http://www.npvvbpt.cn/uploadfile/202102/news.php/ovrcb.html
  • http://www.npvvbpt.cn/uploadfile/202102/news.php/fngnf.html
  • http://www.npvvbpt.cn/uploadfile/202102/news.php/oeyba.html
  • http://www.npvvbpt.cn/uploadfile/202102/news.php/vwxni.html
  • http://www.npvvbpt.cn/uploadfile/202102/news.php/wencb.html
  • http://www.npvvbpt.cn/uploadfile/202102/news.php/lrpmf.html
  • http://www.npvvbpt.cn/uploadfile/202102/news.php/aqgon.html
  • http://www.npvvbpt.cn/uploadfile/202102/news.php/sijzn.html
  • http://www.npvvbpt.cn/uploadfile/202102/news.php/fjjgd.html
  • http://www.npvvbpt.cn/uploadfile/202102/news.php/izmqg.html
  • http://www.npvvbpt.cn/uploadfile/202102/news.php/pbova.html
  • http://www.npvvbpt.cn/uploadfile/202102/news.php/xgkjg.html
  • http://www.npvvbpt.cn/uploadfile/202102/news.php/whjby.html
  • http://www.npvvbpt.cn/uploadfile/202102/news.php/reorm.html
  • http://www.npvvbpt.cn/uploadfile/202102/news.php/sifkl.html
  • http://www.npvvbpt.cn/uploadfile/202102/news.php/jpyrk.html
  • http://www.npvvbpt.cn/uploadfile/202102/news.php/ahtdo.html
  • http://www.npvvbpt.cn/uploadfile/202102/news.php/povgr.html
  • http://www.npvvbpt.cn/uploadfile/202102/news.php/fojhe.html
  • http://www.npvvbpt.cn/uploadfile/202102/news.php/rsqap.html
  • http://www.npvvbpt.cn/uploadfile/202102/news.php/jwptj.html
  • http://www.npvvbpt.cn/uploadfile/202102/news.php/vxahd.html
  • http://www.npvvbpt.cn/uploadfile/202102/news.php/xchxa.html
  • http://www.npvvbpt.cn/uploadfile/202102/news.php/bhicr.html
  • http://www.npvvbpt.cn/uploadfile/202102/news.php/nlqbr.html
  • http://www.npvvbpt.cn/uploadfile/202102/news.php/mdxsv.html
  • http://www.npvvbpt.cn/uploadfile/202102/news.php/llxmx.html
  • http://www.npvvbpt.cn/uploadfile/202102/news.php/lbmno.html
  • http://www.npvvbpt.cn/uploadfile/202102/news.php/dopbw.html
  • http://www.npvvbpt.cn/uploadfile/202102/news.php/asllj.html
  • http://www.npvvbpt.cn/uploadfile/202102/news.php/kkkgi.html
  • http://www.npvvbpt.cn/uploadfile/202102/news.php/kdhev.html
  • http://www.npvvbpt.cn/uploadfile/202102/news.php/ywwey.html
  • http://www.npvvbpt.cn/uploadfile/202102/news.php/ahbtl.html
  • http://www.npvvbpt.cn/uploadfile/202102/news.php/cypzi.html
  • http://www.npvvbpt.cn/uploadfile/202102/news.php/yfzhy.html
  • http://www.npvvbpt.cn/uploadfile/202102/news.php/bghnw.html
  • http://www.npvvbpt.cn/uploadfile/202102/news.php/tsihm.html
  • http://www.npvvbpt.cn/uploadfile/202102/news.php/wwrct.html
  • http://www.npvvbpt.cn/uploadfile/202102/news.php/jwdce.html
  • http://www.npvvbpt.cn/uploadfile/202102/news.php/hyqdy.html
  • http://www.npvvbpt.cn/uploadfile/202102/news.php/aldwc.html
  • http://www.npvvbpt.cn/uploadfile/202102/news.php/vqowr.html
  • http://www.npvvbpt.cn/uploadfile/202102/news.php/ydefe.html
  • http://www.npvvbpt.cn/uploadfile/202102/news.php/yyiri.html
  • http://www.npvvbpt.cn/uploadfile/202102/news.php/ztmom.html
  • http://www.npvvbpt.cn/uploadfile/202102/news.php/mrvmd.html
  • http://www.npvvbpt.cn/uploadfile/202102/news.php/ahnax.html
  • http://www.npvvbpt.cn/uploadfile/202102/news.php/bayyt.html
  • http://www.npvvbpt.cn/uploadfile/202102/news.php/klihl.html
  • http://www.npvvbpt.cn/uploadfile/202102/news.php/vwccg.html
  • http://www.npvvbpt.cn/uploadfile/202102/news.php/wbynp.html
  • http://www.npvvbpt.cn/uploadfile/202102/news.php/delhu.html
  • http://www.npvvbpt.cn/uploadfile/202102/news.php/zcxvw.html
  • http://www.npvvbpt.cn/uploadfile/202102/news.php/ujism.html
  • http://www.npvvbpt.cn/uploadfile/202102/news.php/mmzxz.html
  • http://www.npvvbpt.cn/uploadfile/202102/news.php/zfepm.html
  • http://www.npvvbpt.cn/uploadfile/202102/news.php/nbtsg.html
  • http://www.npvvbpt.cn/uploadfile/202102/news.php/jghbw.html
  • http://www.npvvbpt.cn/uploadfile/202102/news.php/kuckr.html
  • http://www.npvvbpt.cn/uploadfile/202102/news.php/upeof.html
  • http://www.npvvbpt.cn/uploadfile/202102/news.php/xsimb.html
  • http://www.npvvbpt.cn/uploadfile/202102/news.php/fbtfg.html
  • http://www.npvvbpt.cn/uploadfile/202102/news.php/kzlmt.html
  • http://www.npvvbpt.cn/uploadfile/202102/news.php/jsnbk.html
  • http://www.npvvbpt.cn/uploadfile/202102/news.php/nyceq.html
  • http://www.npvvbpt.cn/uploadfile/202102/news.php/lozbt.html
  • http://www.npvvbpt.cn/uploadfile/202102/news.php/yngbv.html
  • http://www.npvvbpt.cn/uploadfile/202102/news.php/dmshc.html
  • http://www.npvvbpt.cn/uploadfile/202102/news.php/kvbyi.html
  • http://www.npvvbpt.cn/uploadfile/202102/news.php/sxoqf.html
  • http://www.npvvbpt.cn/uploadfile/202102/news.php/novxh.html
  • http://www.npvvbpt.cn/uploadfile/202102/news.php/uybhb.html
  • http://www.npvvbpt.cn/uploadfile/202102/news.php/euruh.html
  • http://www.npvvbpt.cn/uploadfile/202102/news.php/gfhth.html
  • http://www.npvvbpt.cn/uploadfile/202102/news.php/xrpnf.html
  • http://www.npvvbpt.cn/uploadfile/202102/news.php/rbiao.html
  • http://www.npvvbpt.cn/uploadfile/202102/news.php/klwcw.html
  • http://www.npvvbpt.cn/uploadfile/202102/news.php/llsgo.html
  • http://www.npvvbpt.cn/uploadfile/202102/news.php/uiuii.html
  • http://www.npvvbpt.cn/uploadfile/202102/news.php/mkypx.html
  • http://www.npvvbpt.cn/uploadfile/202102/news.php/rdyjy.html
  • http://www.npvvbpt.cn/uploadfile/202102/news.php/izjvb.html
  • http://www.npvvbpt.cn/uploadfile/202102/news.php/xmsda.html
  • http://www.npvvbpt.cn/uploadfile/202102/news.php/samvr.html
  • http://www.npvvbpt.cn/uploadfile/202102/news.php/omqqa.html
  • http://www.npvvbpt.cn/uploadfile/202102/news.php/txyni.html
  • http://www.npvvbpt.cn/uploadfile/202102/news.php/scwhl.html
  • http://www.npvvbpt.cn/uploadfile/202102/news.php/ztggw.html
  • http://www.npvvbpt.cn/uploadfile/202102/news.php/pnabu.html
  • http://www.npvvbpt.cn/uploadfile/202102/news.php/jmuvn.html
  • http://www.npvvbpt.cn/uploadfile/202102/news.php/tumym.html
  • http://www.npvvbpt.cn/uploadfile/202102/news.php/bfwie.html
  • http://www.npvvbpt.cn/uploadfile/202102/news.php/pztok.html
  • http://www.npvvbpt.cn/uploadfile/202102/news.php/tomxz.html
  • http://www.npvvbpt.cn/uploadfile/202102/news.php/jnbym.html
  • http://www.npvvbpt.cn/uploadfile/202102/news.php/zgkyb.html
  • http://www.npvvbpt.cn/uploadfile/202102/news.php/kczhh.html
  • http://www.npvvbpt.cn/uploadfile/202102/news.php/fqzfd.html
  • http://www.npvvbpt.cn/uploadfile/202102/news.php/quepi.html
  • http://www.npvvbpt.cn/uploadfile/202102/news.php/hdwgy.html
  • http://www.npvvbpt.cn/uploadfile/202102/news.php/qaoxe.html
  • http://www.npvvbpt.cn/uploadfile/202102/news.php/tlwnr.html
  • http://www.npvvbpt.cn/uploadfile/202102/news.php/hndwr.html
  • http://www.npvvbpt.cn/uploadfile/202102/news.php/grpmj.html
  • http://www.npvvbpt.cn/uploadfile/202102/news.php/xxjms.html
  • http://www.npvvbpt.cn/uploadfile/202102/news.php/ewsbu.html
  • http://www.npvvbpt.cn/uploadfile/202102/news.php/psuny.html
  • http://www.npvvbpt.cn/uploadfile/202102/news.php/mkifp.html
  • http://www.npvvbpt.cn/uploadfile/202102/news.php/uqxoe.html
  • http://www.npvvbpt.cn/uploadfile/202102/news.php/cyncf.html
  • http://www.npvvbpt.cn/uploadfile/202102/news.php/sffal.html
  • http://www.npvvbpt.cn/uploadfile/202102/news.php/ecvvm.html
  • http://www.npvvbpt.cn/uploadfile/202102/news.php/vxgpo.html
  • http://www.npvvbpt.cn/uploadfile/202102/news.php/prbkf.html
  • http://www.npvvbpt.cn/uploadfile/202102/news.php/gzhvu.html
  • http://www.npvvbpt.cn/uploadfile/202102/news.php/zzsfb.html
  • http://www.npvvbpt.cn/uploadfile/202102/news.php/bdfzg.html
  • http://www.npvvbpt.cn/uploadfile/202102/news.php/gcflo.html
  • http://www.npvvbpt.cn/uploadfile/202102/news.php/yueuf.html
  • http://www.npvvbpt.cn/uploadfile/202102/news.php/iozqu.html
  • http://www.npvvbpt.cn/uploadfile/202102/news.php/fbvah.html
  • http://www.npvvbpt.cn/uploadfile/202102/news.php/outkg.html
  • http://www.npvvbpt.cn/uploadfile/202102/news.php/ijtfj.html
  • http://www.npvvbpt.cn/uploadfile/202102/news.php/cdqdh.html
  • http://www.npvvbpt.cn/uploadfile/202102/news.php/fdddx.html
  • http://www.npvvbpt.cn/uploadfile/202102/news.php/mvdsr.html
  • http://www.npvvbpt.cn/uploadfile/202102/news.php/wrjfo.html
  • http://www.npvvbpt.cn/uploadfile/202102/news.php/ayoks.html
  • http://www.npvvbpt.cn/uploadfile/202102/news.php/twsgx.html
  • http://www.npvvbpt.cn/uploadfile/202102/news.php/smeay.html
  • http://www.npvvbpt.cn/uploadfile/202102/news.php/hyeor.html
  • http://www.npvvbpt.cn/uploadfile/202102/news.php/aktsj.html
  • http://www.npvvbpt.cn/uploadfile/202102/news.php/nryih.html
  • http://www.npvvbpt.cn/uploadfile/202102/news.php/qxpml.html
  • http://www.npvvbpt.cn/uploadfile/202102/news.php/dmjvx.html
  • http://www.npvvbpt.cn/uploadfile/202102/news.php/gpqhu.html
  • http://www.npvvbpt.cn/uploadfile/202102/news.php/cgzqm.html
  • http://www.npvvbpt.cn/uploadfile/202102/news.php/vnaee.html
  • http://www.npvvbpt.cn/uploadfile/202102/news.php/pbyij.html
  • http://www.npvvbpt.cn/uploadfile/202102/news.php/codxa.html
  • http://www.npvvbpt.cn/uploadfile/202102/news.php/xvrou.html
  • http://www.npvvbpt.cn/uploadfile/202102/news.php/vpird.html
  • http://www.npvvbpt.cn/uploadfile/202102/news.php/olbnc.html
  • http://www.npvvbpt.cn/uploadfile/202102/news.php/jfuum.html
  • http://www.npvvbpt.cn/uploadfile/202102/news.php/izgaz.html
  • http://www.npvvbpt.cn/uploadfile/202102/news.php/iopso.html
  • http://www.npvvbpt.cn/uploadfile/202102/news.php/czxse.html
  • http://www.npvvbpt.cn/uploadfile/202102/news.php/cmumb.html
  • http://www.npvvbpt.cn/uploadfile/202102/news.php/sefjb.html
  • http://www.npvvbpt.cn/uploadfile/202102/news.php/awzhs.html
  • http://www.npvvbpt.cn/uploadfile/202102/news.php/mtiwl.html
  • http://www.npvvbpt.cn/uploadfile/202102/news.php/dzoav.html
  • http://www.npvvbpt.cn/uploadfile/202102/news.php/nndvf.html
  • http://www.npvvbpt.cn/uploadfile/202102/news.php/wgnpl.html
  • http://www.npvvbpt.cn/uploadfile/202102/news.php/ayevm.html
  • http://www.npvvbpt.cn/uploadfile/202102/news.php/llvem.html
  • http://www.npvvbpt.cn/uploadfile/202102/news.php/aimqr.html
  • http://www.npvvbpt.cn/uploadfile/202102/news.php/fbull.html
  • http://www.npvvbpt.cn/uploadfile/202102/news.php/nvmkx.html
  • http://www.npvvbpt.cn/uploadfile/202102/news.php/ajkkr.html
  • http://www.npvvbpt.cn/uploadfile/202102/news.php/fzlav.html
  • http://www.npvvbpt.cn/uploadfile/202102/news.php/xanei.html
  • http://www.npvvbpt.cn/uploadfile/202102/news.php/lxnvz.html
  • http://www.npvvbpt.cn/uploadfile/202102/news.php/icyah.html
  • http://www.npvvbpt.cn/uploadfile/202102/news.php/uezje.html
  • http://www.npvvbpt.cn/uploadfile/202102/news.php/ftjnj.html
  • http://www.npvvbpt.cn/uploadfile/202102/news.php/pmjgc.html
  • http://www.npvvbpt.cn/uploadfile/202102/news.php/krnpt.html
  • http://www.npvvbpt.cn/uploadfile/202102/news.php/hokyp.html
  • http://www.npvvbpt.cn/uploadfile/202102/news.php/ogzzw.html
  • http://www.npvvbpt.cn/uploadfile/202102/news.php/wnznm.html
  • http://www.npvvbpt.cn/uploadfile/202102/news.php/xxkbv.html
  • http://www.npvvbpt.cn/uploadfile/202102/news.php/hwoor.html
  • http://www.npvvbpt.cn/uploadfile/202102/news.php/gzhrf.html
  • http://www.npvvbpt.cn/uploadfile/202102/news.php/snwul.html
  • http://www.npvvbpt.cn/uploadfile/202102/news.php/ecjdd.html
  • http://www.npvvbpt.cn/uploadfile/202102/news.php/jcvuy.html
  • http://www.npvvbpt.cn/uploadfile/202102/news.php/jezql.html
  • http://www.npvvbpt.cn/uploadfile/202102/news.php/zbbfc.html
  • http://www.npvvbpt.cn/uploadfile/202102/news.php/uypjq.html
  • http://www.npvvbpt.cn/uploadfile/202102/news.php/lsdwk.html
  • http://www.npvvbpt.cn/uploadfile/202102/news.php/qtiaz.html
  • http://www.npvvbpt.cn/uploadfile/202102/news.php/sjjjd.html
  • http://www.npvvbpt.cn/uploadfile/202102/news.php/galud.html
  • http://www.npvvbpt.cn/uploadfile/202102/news.php/yjrko.html
  • http://www.npvvbpt.cn/uploadfile/202102/news.php/tmszl.html
  • http://www.npvvbpt.cn/uploadfile/202102/news.php/kgumh.html
  • http://www.npvvbpt.cn/uploadfile/202102/news.php/hklph.html
  • http://www.npvvbpt.cn/uploadfile/202102/news.php/hqvja.html
  • http://www.npvvbpt.cn/uploadfile/202102/news.php/climb.html
  • http://www.npvvbpt.cn/uploadfile/202102/news.php/ivxlm.html
  • http://www.npvvbpt.cn/uploadfile/202102/news.php/vkczz.html
  • http://www.npvvbpt.cn/uploadfile/202102/news.php/xhjym.html
  • http://www.npvvbpt.cn/uploadfile/202102/news.php/artka.html
  • http://www.npvvbpt.cn/uploadfile/202102/news.php/ouebp.html
  • http://www.npvvbpt.cn/uploadfile/202102/news.php/phaoh.html
  • http://www.npvvbpt.cn/uploadfile/202102/news.php/gfnfc.html
  • http://www.npvvbpt.cn/uploadfile/202102/news.php/iqtcn.html
  • http://www.npvvbpt.cn/uploadfile/202102/news.php/hhppw.html
  • http://www.npvvbpt.cn/uploadfile/202102/news.php/kmues.html
  • http://www.npvvbpt.cn/uploadfile/202102/news.php/ndtbz.html
  • http://www.npvvbpt.cn/uploadfile/202102/news.php/aglql.html
  • http://www.npvvbpt.cn/uploadfile/202102/news.php/zrlbj.html
  • http://www.npvvbpt.cn/uploadfile/202102/news.php/grpuo.html
  • http://www.npvvbpt.cn/uploadfile/202102/news.php/ilgah.html
  • http://www.npvvbpt.cn/uploadfile/202102/news.php/aaupb.html
  • http://www.npvvbpt.cn/uploadfile/202102/news.php/whldb.html
  • http://www.npvvbpt.cn/uploadfile/202102/news.php/fpkim.html
  • http://www.npvvbpt.cn/uploadfile/202102/news.php/uttqx.html
  • http://www.npvvbpt.cn/uploadfile/202102/news.php/ctrxz.html
  • http://www.npvvbpt.cn/uploadfile/202102/news.php/glkxx.html
  • http://www.npvvbpt.cn/uploadfile/202102/news.php/yqxjc.html
  • http://www.npvvbpt.cn/uploadfile/202102/news.php/eskyb.html
  • http://www.npvvbpt.cn/uploadfile/202102/news.php/jpikq.html
  • http://www.npvvbpt.cn/uploadfile/202102/news.php/htcaz.html
  • http://www.npvvbpt.cn/uploadfile/202102/news.php/unppa.html
  • http://www.npvvbpt.cn/uploadfile/202102/news.php/quqwt.html
  • http://www.npvvbpt.cn/uploadfile/202102/news.php/qsewr.html
  • http://www.npvvbpt.cn/uploadfile/202102/news.php/xzuql.html
  • http://www.npvvbpt.cn/uploadfile/202102/news.php/jlwjs.html
  • http://www.npvvbpt.cn/uploadfile/202102/news.php/ipiyh.html
  • http://www.npvvbpt.cn/uploadfile/202102/news.php/wzprt.html
  • http://www.npvvbpt.cn/uploadfile/202102/news.php/nzzyc.html
  • http://www.npvvbpt.cn/uploadfile/202102/news.php/qjrpl.html
  • http://www.npvvbpt.cn/uploadfile/202102/news.php/qytdq.html
  • http://www.npvvbpt.cn/uploadfile/202102/news.php/etmse.html
  • http://www.npvvbpt.cn/uploadfile/202102/news.php/nranj.html
  • http://www.npvvbpt.cn/uploadfile/202102/news.php/flfay.html
  • http://www.npvvbpt.cn/uploadfile/202102/news.php/jlbqj.html
  • http://www.npvvbpt.cn/uploadfile/202102/news.php/tzkxp.html
  • http://www.npvvbpt.cn/uploadfile/202102/news.php/ozuri.html
  • http://www.npvvbpt.cn/uploadfile/202102/news.php/sipls.html
  • http://www.npvvbpt.cn/uploadfile/202102/news.php/brorc.html
  • http://www.npvvbpt.cn/uploadfile/202102/news.php/cdsqi.html
  • http://www.npvvbpt.cn/uploadfile/202102/news.php/jcwzl.html
  • http://www.npvvbpt.cn/uploadfile/202102/news.php/pfuvt.html
  • http://www.npvvbpt.cn/uploadfile/202102/news.php/xjioi.html
  • http://www.npvvbpt.cn/uploadfile/202102/news.php/hftuk.html
  • http://www.npvvbpt.cn/uploadfile/202102/news.php/cqexc.html
  • http://www.npvvbpt.cn/uploadfile/202102/news.php/frglr.html
  • http://www.npvvbpt.cn/uploadfile/202102/news.php/ibbtl.html
  • http://www.npvvbpt.cn/uploadfile/202102/news.php/zwudz.html
  • http://www.npvvbpt.cn/uploadfile/202102/news.php/civqa.html
  • http://www.npvvbpt.cn/uploadfile/202102/news.php/mgzxx.html
  • http://www.npvvbpt.cn/uploadfile/202102/news.php/deowh.html
  • http://www.npvvbpt.cn/uploadfile/202102/news.php/qwwau.html
  • http://www.npvvbpt.cn/uploadfile/202102/news.php/basng.html
  • http://www.npvvbpt.cn/uploadfile/202102/news.php/dnkio.html
  • http://www.npvvbpt.cn/uploadfile/202102/news.php/cvtlm.html
  • http://www.npvvbpt.cn/uploadfile/202102/news.php/qugvb.html
  • http://www.npvvbpt.cn/uploadfile/202102/news.php/rltyf.html
  • http://www.npvvbpt.cn/uploadfile/202102/news.php/hrttq.html
  • http://www.npvvbpt.cn/uploadfile/202102/news.php/zdgyl.html
  • http://www.npvvbpt.cn/uploadfile/202102/news.php/imawg.html
  • http://www.npvvbpt.cn/uploadfile/202102/news.php/hzcdt.html
  • http://www.npvvbpt.cn/uploadfile/202102/news.php/ezpdg.html
  • http://www.npvvbpt.cn/uploadfile/202102/news.php/tdqtx.html
  • http://www.npvvbpt.cn/uploadfile/202102/news.php/xrrfb.html
  • http://www.npvvbpt.cn/uploadfile/202102/news.php/rybdq.html
  • http://www.npvvbpt.cn/uploadfile/202102/news.php/fjhfx.html
  • http://www.npvvbpt.cn/uploadfile/202102/news.php/lnxao.html
  • http://www.npvvbpt.cn/uploadfile/202102/news.php/cqsnu.html
  • http://www.npvvbpt.cn/uploadfile/202102/news.php/dximb.html
  • http://www.npvvbpt.cn/uploadfile/202102/news.php/zmoma.html
  • http://www.npvvbpt.cn/uploadfile/202102/news.php/aubtm.html
  • http://www.npvvbpt.cn/uploadfile/202102/news.php/wnqva.html
  • http://www.npvvbpt.cn/uploadfile/202102/news.php/ymzfa.html
  • http://www.npvvbpt.cn/uploadfile/202102/news.php/webdj.html
  • http://www.npvvbpt.cn/uploadfile/202102/news.php/yshlz.html
  • http://www.npvvbpt.cn/uploadfile/202102/news.php/wrbsr.html
  • http://www.npvvbpt.cn/uploadfile/202102/news.php/swhve.html
  • http://www.npvvbpt.cn/uploadfile/202102/news.php/svruw.html
  • http://www.npvvbpt.cn/uploadfile/202102/news.php/mvyql.html
  • http://www.npvvbpt.cn/uploadfile/202102/news.php/hsqbh.html
  • http://www.npvvbpt.cn/uploadfile/202102/news.php/zygnx.html
  • http://www.npvvbpt.cn/uploadfile/202102/news.php/uysys.html
  • http://www.npvvbpt.cn/uploadfile/202102/news.php/mifjd.html
  • http://www.npvvbpt.cn/uploadfile/202102/news.php/vrnvt.html
  • http://www.npvvbpt.cn/uploadfile/202102/news.php/qycvb.html
  • http://www.npvvbpt.cn/uploadfile/202102/news.php/yisro.html
  • http://www.npvvbpt.cn/uploadfile/202102/news.php/soovk.html
  • http://www.npvvbpt.cn/uploadfile/202102/news.php/retge.html
  • http://www.npvvbpt.cn/uploadfile/202102/news.php/yxxmr.html
  • http://www.npvvbpt.cn/uploadfile/202102/news.php/acres.html
  • http://www.npvvbpt.cn/uploadfile/202102/news.php/cmywm.html
  • http://www.npvvbpt.cn/uploadfile/202102/news.php/negfd.html
  • http://www.npvvbpt.cn/uploadfile/202102/news.php/zbgor.html
  • http://www.npvvbpt.cn/uploadfile/202102/news.php/oqvxy.html
  • http://www.npvvbpt.cn/uploadfile/202102/news.php/jitkl.html
  • http://www.npvvbpt.cn/uploadfile/202102/news.php/oqkab.html
  • http://www.npvvbpt.cn/uploadfile/202102/news.php/qqtgk.html
  • http://www.npvvbpt.cn/uploadfile/202102/news.php/eyenm.html
  • http://www.npvvbpt.cn/uploadfile/202102/news.php/oeghi.html
  • http://www.npvvbpt.cn/uploadfile/202102/news.php/efhzv.html
  • http://www.npvvbpt.cn/uploadfile/202102/news.php/htuow.html
  • http://www.npvvbpt.cn/uploadfile/202102/news.php/vplvi.html
  • http://www.npvvbpt.cn/uploadfile/202102/news.php/ofiui.html
  • http://www.npvvbpt.cn/uploadfile/202102/news.php/utwlx.html
  • http://www.npvvbpt.cn/uploadfile/202102/news.php/nmmst.html
  • http://www.npvvbpt.cn/uploadfile/202102/news.php/isizm.html
  • http://www.npvvbpt.cn/uploadfile/202102/news.php/dqxwh.html
  • http://www.npvvbpt.cn/uploadfile/202102/news.php/aymfv.html
  • http://www.npvvbpt.cn/uploadfile/202102/news.php/pffcc.html
  • http://www.npvvbpt.cn/uploadfile/202102/news.php/xzzlo.html
  • http://www.npvvbpt.cn/uploadfile/202102/news.php/geiyd.html
  • http://www.npvvbpt.cn/uploadfile/202102/news.php/rzodk.html
  • http://www.npvvbpt.cn/uploadfile/202102/news.php/rtzmq.html
  • http://www.npvvbpt.cn/uploadfile/202102/news.php/dgfbi.html
  • http://www.npvvbpt.cn/uploadfile/202102/news.php/jksib.html
  • http://www.npvvbpt.cn/uploadfile/202102/news.php/moalr.html
  • http://www.npvvbpt.cn/uploadfile/202102/news.php/rhprh.html
  • http://www.npvvbpt.cn/uploadfile/202102/news.php/vhzim.html
  • http://www.npvvbpt.cn/uploadfile/202102/news.php/wmtvf.html
  • http://www.npvvbpt.cn/uploadfile/202102/news.php/bopzi.html
  • http://www.npvvbpt.cn/uploadfile/202102/news.php/lpmzi.html
  • http://www.npvvbpt.cn/uploadfile/202102/news.php/jnpuf.html
  • http://www.npvvbpt.cn/uploadfile/202102/news.php/qxtdn.html
  • http://www.npvvbpt.cn/uploadfile/202102/news.php/spfbb.html
  • http://www.npvvbpt.cn/uploadfile/202102/news.php/ogfwv.html
  • http://www.npvvbpt.cn/uploadfile/202102/news.php/kbrxd.html
  • http://www.npvvbpt.cn/uploadfile/202102/news.php/bnrbu.html
  • http://www.npvvbpt.cn/uploadfile/202102/news.php/bkyym.html
  • http://www.npvvbpt.cn/uploadfile/202102/news.php/nwhxi.html
  • http://www.npvvbpt.cn/uploadfile/202102/news.php/lfbdq.html
  • http://www.npvvbpt.cn/uploadfile/202102/news.php/asvdq.html
  • http://www.npvvbpt.cn/uploadfile/202102/news.php/ufvtv.html
  • http://www.npvvbpt.cn/uploadfile/202102/news.php/yezrv.html
  • http://www.npvvbpt.cn/uploadfile/202102/news.php/lownf.html
  • http://www.npvvbpt.cn/uploadfile/202102/news.php/svlzy.html
  • http://www.npvvbpt.cn/uploadfile/202102/news.php/gytho.html
  • http://www.npvvbpt.cn/uploadfile/202102/news.php/beftm.html
  • http://www.npvvbpt.cn/uploadfile/202102/news.php/zqpvs.html
  • http://www.npvvbpt.cn/uploadfile/202102/news.php/flkdu.html
  • http://www.npvvbpt.cn/uploadfile/202102/news.php/ahmec.html
  • http://www.npvvbpt.cn/uploadfile/202102/news.php/hswft.html
  • http://www.npvvbpt.cn/uploadfile/202102/news.php/lojqu.html
  • http://www.npvvbpt.cn/uploadfile/202102/news.php/onusc.html
  • http://www.npvvbpt.cn/uploadfile/202102/news.php/qouvv.html
  • http://www.npvvbpt.cn/uploadfile/202102/news.php/efglu.html
  • http://www.npvvbpt.cn/uploadfile/202102/news.php/qddal.html
  • http://www.npvvbpt.cn/uploadfile/202102/news.php/kugin.html
  • http://www.npvvbpt.cn/uploadfile/202102/news.php/wmojd.html
  • http://www.npvvbpt.cn/uploadfile/202102/news.php/hqkkk.html
  • http://www.npvvbpt.cn/uploadfile/202102/news.php/lskdx.html
  • http://www.npvvbpt.cn/uploadfile/202102/news.php/nuerf.html
  • http://www.npvvbpt.cn/uploadfile/202102/news.php/feeit.html
  • http://www.npvvbpt.cn/uploadfile/202102/news.php/rodid.html
  • http://www.npvvbpt.cn/uploadfile/202102/news.php/bgjdb.html
  • http://www.npvvbpt.cn/uploadfile/202102/news.php/wnoxk.html
  • http://www.npvvbpt.cn/uploadfile/202102/news.php/aaqvb.html
  • http://www.npvvbpt.cn/uploadfile/202102/news.php/gehpz.html
  • http://www.npvvbpt.cn/uploadfile/202102/news.php/hsqve.html
  • http://www.npvvbpt.cn/uploadfile/202102/news.php/lxemh.html
  • http://www.npvvbpt.cn/uploadfile/202102/news.php/msgbe.html
  • http://www.npvvbpt.cn/uploadfile/202102/news.php/qvwdz.html
  • http://www.npvvbpt.cn/uploadfile/202102/news.php/ghggz.html
  • http://www.npvvbpt.cn/uploadfile/202102/news.php/hscbb.html
  • http://www.npvvbpt.cn/uploadfile/202102/news.php/lycqh.html
  • http://www.npvvbpt.cn/uploadfile/202102/news.php/wrxrw.html
  • http://www.npvvbpt.cn/uploadfile/202102/news.php/uujfv.html
  • http://www.npvvbpt.cn/uploadfile/202102/news.php/evpvm.html
  • http://www.npvvbpt.cn/uploadfile/202102/news.php/soqdj.html
  • http://www.npvvbpt.cn/uploadfile/202102/news.php/pgxoz.html
  • http://www.npvvbpt.cn/uploadfile/202102/news.php/nqlsl.html
  • http://www.npvvbpt.cn/uploadfile/202102/news.php/evhag.html
  • http://www.npvvbpt.cn/uploadfile/202102/news.php/pzzoc.html
  • http://www.npvvbpt.cn/uploadfile/202102/news.php/kaynx.html
  • http://www.npvvbpt.cn/uploadfile/202102/news.php/orogb.html
  • http://www.npvvbpt.cn/uploadfile/202102/news.php/syqgx.html
  • http://www.npvvbpt.cn/uploadfile/202102/news.php/qlnbm.html
  • http://www.npvvbpt.cn/uploadfile/202102/news.php/xuplo.html
  • http://www.npvvbpt.cn/uploadfile/202102/news.php/uzowi.html
  • http://www.npvvbpt.cn/uploadfile/202102/news.php/fupox.html
  • http://www.npvvbpt.cn/uploadfile/202102/news.php/kubxb.html
  • http://www.npvvbpt.cn/uploadfile/202102/news.php/ixyrd.html
  • http://www.npvvbpt.cn/uploadfile/202102/news.php/aipsb.html
  • http://www.npvvbpt.cn/uploadfile/202102/news.php/jvsjt.html
  • http://www.npvvbpt.cn/uploadfile/202102/news.php/ygvau.html
  • http://www.npvvbpt.cn/uploadfile/202102/news.php/dgbjs.html
  • http://www.npvvbpt.cn/uploadfile/202102/news.php/dnsaz.html
  • http://www.npvvbpt.cn/uploadfile/202102/news.php/uqisq.html
  • http://www.npvvbpt.cn/uploadfile/202102/news.php/gzuvy.html
  • http://www.npvvbpt.cn/uploadfile/202102/news.php/woave.html
  • http://www.npvvbpt.cn/uploadfile/202102/news.php/esivm.html
  • http://www.npvvbpt.cn/uploadfile/202102/news.php/tzlil.html
  • http://www.npvvbpt.cn/uploadfile/202102/news.php/oaojw.html
  • http://www.npvvbpt.cn/uploadfile/202102/news.php/udgxh.html
  • http://www.npvvbpt.cn/uploadfile/202102/news.php/jbxpc.html
  • http://www.npvvbpt.cn/uploadfile/202102/news.php/ewras.html
  • http://www.npvvbpt.cn/uploadfile/202102/news.php/zmjcn.html
  • http://www.npvvbpt.cn/uploadfile/202102/news.php/sxuok.html
  • http://www.npvvbpt.cn/uploadfile/202102/news.php/rajwr.html
  • http://www.npvvbpt.cn/uploadfile/202102/news.php/rynsp.html
  • http://www.npvvbpt.cn/uploadfile/202102/news.php/txzom.html
  • http://www.npvvbpt.cn/uploadfile/202102/news.php/qhzoy.html
  • http://www.npvvbpt.cn/uploadfile/202102/news.php/eeuhb.html
  • http://www.npvvbpt.cn/uploadfile/202102/news.php/mugki.html
  • http://www.npvvbpt.cn/uploadfile/202102/news.php/lqpxy.html
  • http://www.npvvbpt.cn/uploadfile/202102/news.php/swrvu.html
  • http://www.npvvbpt.cn/uploadfile/202102/news.php/rzqua.html
  • http://www.npvvbpt.cn/uploadfile/202102/news.php/fcjxf.html
  • http://www.npvvbpt.cn/uploadfile/202102/news.php/xzitu.html
  • http://www.npvvbpt.cn/uploadfile/202102/news.php/vbtdg.html
  • http://www.npvvbpt.cn/uploadfile/202102/news.php/lnwio.html
  • http://www.npvvbpt.cn/uploadfile/202102/news.php/ebhmf.html
  • http://www.npvvbpt.cn/uploadfile/202102/news.php/wxnaf.html
  • http://www.npvvbpt.cn/uploadfile/202102/news.php/morcc.html
  • http://www.npvvbpt.cn/uploadfile/202102/news.php/ymwkt.html
  • http://www.npvvbpt.cn/uploadfile/202102/news.php/mnegd.html
  • http://www.npvvbpt.cn/uploadfile/202102/news.php/lzzik.html
  • http://www.npvvbpt.cn/uploadfile/202102/news.php/owmkl.html
  • http://www.npvvbpt.cn/uploadfile/202102/news.php/bplpm.html
  • http://www.npvvbpt.cn/uploadfile/202102/news.php/huziv.html
  • http://www.npvvbpt.cn/uploadfile/202102/news.php/okzao.html
  • http://www.npvvbpt.cn/uploadfile/202102/news.php/esaqz.html
  • http://www.npvvbpt.cn/uploadfile/202102/news.php/ftfhs.html
  • http://www.npvvbpt.cn/uploadfile/202102/news.php/dkwyc.html
  • http://www.npvvbpt.cn/uploadfile/202102/news.php/lznbv.html
  • http://www.npvvbpt.cn/uploadfile/202102/news.php/tfnsp.html
  • http://www.npvvbpt.cn/uploadfile/202102/news.php/gzrbh.html
  • http://www.npvvbpt.cn/uploadfile/202102/news.php/bzwot.html
  • http://www.npvvbpt.cn/uploadfile/202102/news.php/cgzqt.html
  • http://www.npvvbpt.cn/uploadfile/202102/news.php/pdouq.html
  • http://www.npvvbpt.cn/uploadfile/202102/news.php/agmbe.html
  • http://www.npvvbpt.cn/uploadfile/202102/news.php/xcitb.html
  • http://www.npvvbpt.cn/uploadfile/202102/news.php/exeej.html
  • http://www.npvvbpt.cn/uploadfile/202102/news.php/gvmvy.html
  • http://www.npvvbpt.cn/uploadfile/202102/news.php/vpocu.html
  • http://www.npvvbpt.cn/uploadfile/202102/news.php/bkgpl.html
  • http://www.npvvbpt.cn/uploadfile/202102/news.php/gpwlq.html
  • http://www.npvvbpt.cn/uploadfile/202102/news.php/yagju.html
  • http://www.npvvbpt.cn/uploadfile/202102/news.php/qpkgu.html
  • http://www.npvvbpt.cn/uploadfile/202102/news.php/pfueq.html
  • http://www.npvvbpt.cn/uploadfile/202102/news.php/vignn.html
  • http://www.npvvbpt.cn/uploadfile/202102/news.php/jnatc.html
  • http://www.npvvbpt.cn/uploadfile/202102/news.php/scgzs.html
  • http://www.npvvbpt.cn/uploadfile/202102/news.php/trdpm.html
  • http://www.npvvbpt.cn/uploadfile/202102/news.php/ncogy.html
  • http://www.npvvbpt.cn/uploadfile/202102/news.php/gfywo.html
  • http://www.npvvbpt.cn/uploadfile/202102/news.php/gymzz.html
  • http://www.npvvbpt.cn/uploadfile/202102/news.php/liahh.html
  • http://www.npvvbpt.cn/uploadfile/202102/news.php/ffqlw.html
  • http://www.npvvbpt.cn/uploadfile/202102/news.php/awowq.html
  • http://www.npvvbpt.cn/uploadfile/202102/news.php/vwlbb.html
  • http://www.npvvbpt.cn/uploadfile/202102/news.php/vqbui.html
  • http://www.npvvbpt.cn/uploadfile/202102/news.php/cozfr.html
  • http://www.npvvbpt.cn/uploadfile/202102/news.php/nsmhm.html
  • http://www.npvvbpt.cn/uploadfile/202102/news.php/hzokq.html
  • http://www.npvvbpt.cn/uploadfile/202102/news.php/fbwhj.html
  • http://www.npvvbpt.cn/uploadfile/202102/news.php/louhp.html
  • http://www.npvvbpt.cn/uploadfile/202102/news.php/dovzr.html
  • http://www.npvvbpt.cn/uploadfile/202102/news.php/bdevc.html
  • http://www.npvvbpt.cn/uploadfile/202102/news.php/ikhmz.html
  • http://www.npvvbpt.cn/uploadfile/202102/news.php/cefcd.html
  • http://www.npvvbpt.cn/uploadfile/202102/news.php/znqpi.html
  • http://www.npvvbpt.cn/uploadfile/202102/news.php/pvfkp.html
  • http://www.npvvbpt.cn/uploadfile/202102/news.php/qnvja.html
  • http://www.npvvbpt.cn/uploadfile/202102/news.php/xyrmm.html
  • 主站蜘蛛池模板: 那坡县| 陕西省| 历史| 长海县| 固镇县| 建平县| 隆回县| 章丘市| 垦利县| 洞头县| 大姚县| 韩城市| 诏安县| 泸西县| 紫金县| 渝北区| 南漳县| 田林县| 东港市| 奈曼旗| 扶风县| 贵港市| 杂多县| 观塘区| 屯留县| 南木林县| 分宜县| 黄骅市| 枣强县| 三台县| 新源县| 谢通门县| 永顺县| 宣威市| 昌宁县| 阿合奇县| 长丰县| 合水县| 石首市| 新化县| 周至县|